咖迷社区(CAXA数码大方)

 找回密码
 立即注册

QQ登录

只需一步,快速开始

查看: 6828|回复: 1

每周一练-草图练习请大家补画确少尺存

[复制链接]

188

主题

1408

帖子

4655

积分

高级会员

Rank: 4

积分
4655
发表于 2012-4-10 09:25:00 | 显示全部楼层 |阅读模式
千锤百练  每周一练                                                                                                                                  每周 一练  本事天天见  
每周 一图  本事天天做
每周 一画  本事天天画
每周 一写  本事天天涨
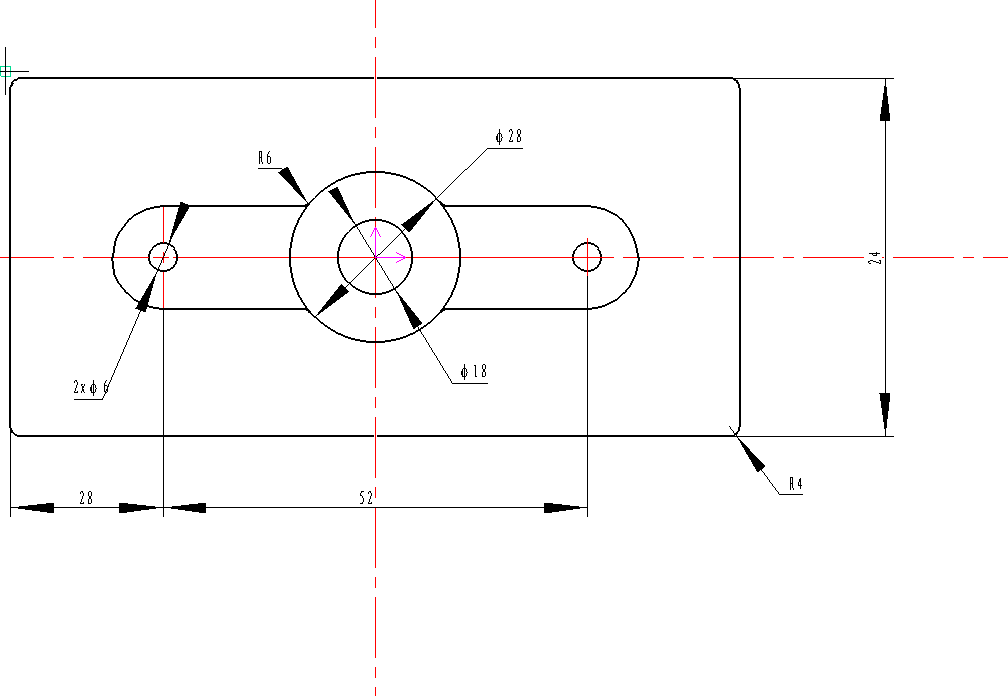
每周一练 草图练习 请大家补画确少尺存

gif

gif
回复

使用道具 举报

188

主题

1408

帖子

4655

积分

高级会员

Rank: 4

积分
4655
 楼主| 发表于 2012-4-11 11:35:00 | 显示全部楼层

回复 2# ab3213009 的帖子

自己先练习  不然就没趣了 另外很多练习我也在做 .发上来只是看看跟大家的有区别没有而以
回复 支持 反对

使用道具 举报

您需要登录后才可以回帖 登录 | 立即注册

本版积分规则

手机版|小黑屋|咖迷社区(CAXA数码大方) ( 京ICP备05001831号-1 )

GMT+8, 2025-10-11 03:36 , Processed in 0.156112 second(s), 22 queries .

Powered by Discuz! X3.4

Copyright © 2001-2021, Tencent Cloud.

快速回复 返回顶部 返回列表