咖迷社区(CAXA数码大方)

 找回密码
 立即注册

QQ登录

只需一步,快速开始

如何在同一张图纸中同时显示投影视图和带渲染的轴侧图?

2019-2-24 23:10| 发布者: wangchaofeng| 查看: 5956| 评论: 0

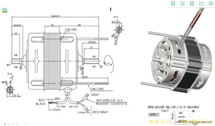
摘要: 利用快速投影功能在同一张图纸中同时显示投影视图和带渲染的轴侧图。操作步骤:1. 先用标准视图功能投影标准三视图。2. 选择标准视图中的“快速投影”→“真实感”功能投影带渲染效果的轴测图。 ...
利用快速投影功能在同一张图纸中同时显示投影视图和带渲染的轴侧图。

操作步骤:
1. 先用标准视图功能投影标准三视图。
2. 选择标准视图中的“快速投影”→“真实感”功能投影带渲染效果的轴测图。




手机版|小黑屋|咖迷社区(CAXA数码大方) ( 京ICP备05001831号-1 )

GMT+8, 2025-10-26 02:19 , Processed in 0.079031 second(s), 15 queries .

Powered by Discuz! X3.4

Copyright © 2001-2021, Tencent Cloud.

返回顶部