咖迷社区(CAXA数码大方)

 找回密码
 立即注册

QQ登录

只需一步,快速开始

查看: 6135|回复: 4

CAXA2023电子图板转pdf遇到问题

  [复制链接]

1

主题

7

帖子

40

积分

新手上路

Rank: 1

积分
40
发表于 2024-1-24 14:53:37 | 显示全部楼层 |阅读模式
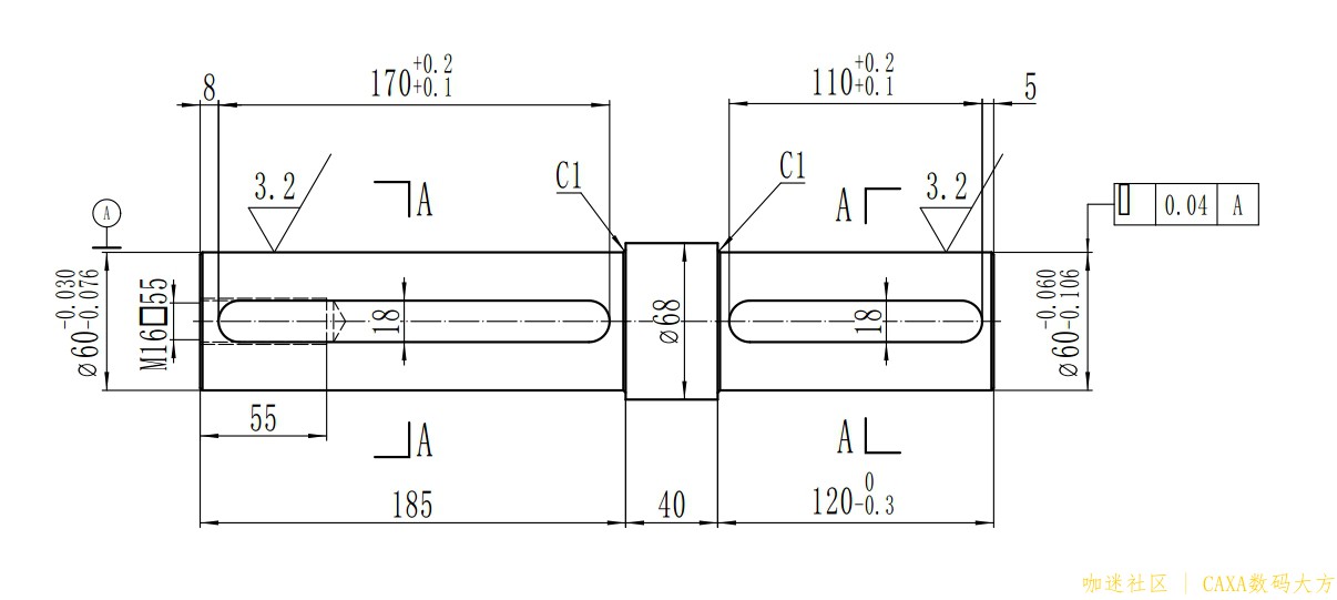
用caxa电子图板2023自带的exb转pdf模块转换pdf文件时,预览时都没问题,生成pdf后,有些符号却变成方块了,这些符号都是caxa生成的符号,请问有解决方法没有?相关字体都安装过了;详情见附图
222.png
11111.png
回复

使用道具 举报

61

主题

315

帖子

3554

积分

高级会员

Rank: 4

积分
3554
发表于 2024-1-25 19:44:55 | 显示全部楼层
试试用虚拟打印机,或者换个字体
回复 支持 反对

使用道具 举报

8

主题

29

帖子

201

积分

新手上路

Rank: 1

积分
201
发表于 2024-1-29 10:58:38 | 显示全部楼层
最好不要用长仿宋字体,我也出过类似问题,我的CAD文件是solidwork文件生成转化而来,CAD显示好好的,转PDF就乱码,没招,换仿宋或别的就可以了,不知道原因。
回复 支持 反对

使用道具 举报

5

主题

392

帖子

5225

积分

金牌会员

Rank: 6Rank: 6

积分
5225
发表于 2024-1-29 17:31:39 | 显示全部楼层
您好,相关图纸麻烦您上传一下
回复 支持 反对

使用道具 举报

3

主题

10

帖子

327

积分

注册会员

Rank: 2

积分
327
发表于 2024-1-31 16:02:42 | 显示全部楼层
之前遇到过这样的问题,解决方法是降低PDF的打印质量
回复 支持 反对

使用道具 举报

您需要登录后才可以回帖 登录 | 立即注册

本版积分规则

手机版|小黑屋|咖迷社区(CAXA数码大方) ( 京ICP备05001831号-1 )

GMT+8, 2025-10-2 01:29 , Processed in 0.156093 second(s), 23 queries .

Powered by Discuz! X3.4

Copyright © 2001-2021, Tencent Cloud.

快速回复 返回顶部 返回列表