咖迷社区(CAXA数码大方)

 找回密码
 立即注册

QQ登录

只需一步,快速开始

查看: 7285|回复: 3

你好 每周一练 (带孔 零件)6月2号

[复制链接]

183

主题

1389

帖子

4655

积分

高级会员

Rank: 4

积分
4655
发表于 2012-6-2 13:14:00 | 显示全部楼层 |阅读模式
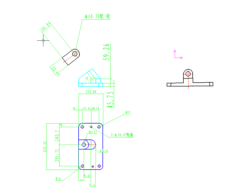
你好  每周一练 带 (带孔 零件)
刚过了六一   有得努力的工作了 带孔零件 原与大家分享  
(尺寸 自定   初学请多多指教 )

gif

gif

gif

gif

gif

gif

gif

gif

gif

gif

gif

gif

周练 习.ics

158.5 KB, 下载次数: 5046

ics

回复

使用道具 举报

127

主题

5031

帖子

5万

积分

超级版主

Rank: 6Rank: 6

积分
51528

咖迷社区专家(CAXA)

发表于 2012-6-2 13:35:00 | 显示全部楼层
支持原创,支持
回复 支持 反对

使用道具 举报

183

主题

1389

帖子

4655

积分

高级会员

Rank: 4

积分
4655
 楼主| 发表于 2012-6-2 17:15:00 | 显示全部楼层

回复 2# happyrat 的帖子

谢 谢 我还会努力的
回复 支持 反对

使用道具 举报

69

主题

932

帖子

1911

积分

高级会员

Rank: 4

积分
1911
发表于 2012-6-3 23:23:00 | 显示全部楼层
用什么软件画的,怎么看不清?

jpg

jpg

jpg

jpg

jpg

jpg
回复 支持 反对

使用道具 举报

您需要登录后才可以回帖 登录 | 立即注册

本版积分规则

手机版|小黑屋|咖迷社区(CAXA数码大方) ( 京ICP备05001831号-1 )

GMT+8, 2025-10-26 06:12 , Processed in 0.187335 second(s), 24 queries .

Powered by Discuz! X3.4

Copyright © 2001-2021, Tencent Cloud.

快速回复 返回顶部 返回列表