咖迷社区(CAXA数码大方)

 找回密码
 立即注册

QQ登录

只需一步,快速开始

查看: 11040|回复: 7

螺纹容易出问题

[复制链接]

8

主题

24

帖子

57

积分

注册会员

Rank: 2

积分
57
发表于 2011-3-11 20:13:00 | 显示全部楼层 |阅读模式

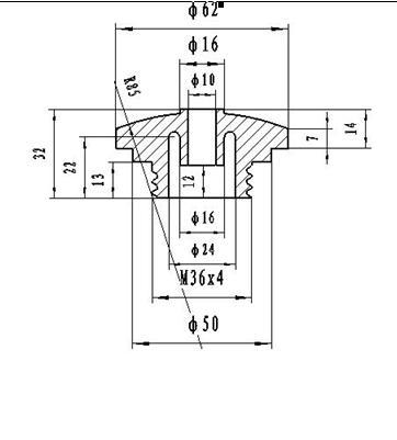
图纸

图纸

造型

造型

螺纹截面

螺纹截面

螺纹有效距离自动13

螺纹有效距离自动13

生成的有问题

生成的有问题

里面也有问题

里面也有问题

改为12则出错

改为12则出错





回复

使用道具 举报

8

主题

24

帖子

57

积分

注册会员

Rank: 2

积分
57
 楼主| 发表于 2011-3-11 20:17:00 | 显示全部楼层
2009螺纹有问题  第一副为图纸  第二副为造型实体 第三是螺纹草图 第四是电脑自动拾取该区面的长度定义螺纹深度13  第四第五是螺纹长度是13时生成的螺纹有问题 当把长度改为12或者小于12的某个数则出错 如第六图所示  但是很奇怪改为11可以用  当长度大于12时 能生成螺纹 但是螺纹有问题
回复 支持 反对

使用道具 举报

8

主题

24

帖子

57

积分

注册会员

Rank: 2

积分
57
 楼主| 发表于 2011-3-11 20:18:00 | 显示全部楼层
望高手指点
回复 支持 反对

使用道具 举报

8

主题

24

帖子

57

积分

注册会员

Rank: 2

积分
57
 楼主| 发表于 2011-3-12 10:04:00 | 显示全部楼层
那位高手 解答一下啊
回复 支持 反对

使用道具 举报

71

主题

529

帖子

1万

积分

金牌会员

Rank: 6Rank: 6

积分
12967

咖迷社区专家(CAXA)

发表于 2011-3-16 08:32:00 | 显示全部楼层
你的图纸有问题,车制螺纹要有退刀槽,所以螺纹就不能生成。你的实体螺纹的尺寸也可能不对。
回复 支持 反对

使用道具 举报

15

主题

124

帖子

786

积分

中级会员

Rank: 3Rank: 3

积分
786
发表于 2011-3-16 08:01:00 | 显示全部楼层
草图螺纹根部宽度(2.5*2)大于螺距(4)了,螺纹根部宽度小于或等于螺距才能生成螺纹
回复 支持 反对

使用道具 举报

8

主题

24

帖子

57

积分

注册会员

Rank: 2

积分
57
 楼主| 发表于 2011-3-16 08:59:00 | 显示全部楼层
楼上的说的不对  我的三角形截面根部宽度2.5*2  但是沿着y轴的宽度是2*2也就是4  和螺距一样长4  是可以的

jpg

jpg

jpg

jpg

jpg

jpg



回复 支持 反对

使用道具 举报

8

主题

24

帖子

57

积分

注册会员

Rank: 2

积分
57
 楼主| 发表于 2011-3-16 09:01:00 | 显示全部楼层
比如我用以上的例子 1。917大于1.5 也可以生成
回复 支持 反对

使用道具 举报

您需要登录后才可以回帖 登录 | 立即注册

本版积分规则

手机版|小黑屋|咖迷社区(CAXA数码大方) ( 京ICP备05001831号-1 )

GMT+8, 2025-12-10 17:37 , Processed in 0.187344 second(s), 23 queries .

Powered by Discuz! X3.4

Copyright © 2001-2021, Tencent Cloud.

快速回复 返回顶部 返回列表