咖迷社区(CAXA数码大方)

 找回密码
 立即注册

QQ登录

只需一步,快速开始

查看: 10303|回复: 9

工艺模板的样式风格问题求解 I F Y

[复制链接]

10

主题

64

帖子

0

积分

注册会员

Rank: 2

积分
0
发表于 2011-6-30 09:23:00 | 显示全部楼层 |阅读模式
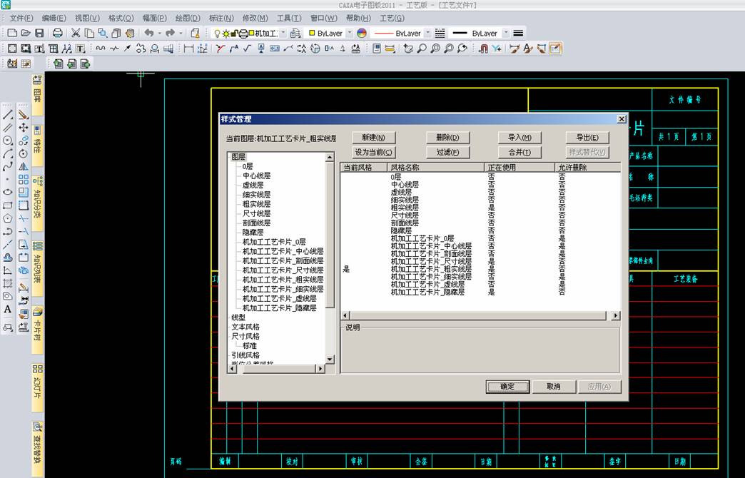
由于工厂在设计和工艺模板的继承性,我们的图层、线型等样式风格设置与CAXA2011软件缺省风格不一致,现在重新定制模板后出现了下图的状况,如何剔除CAPP缺省的样式风格?  附上定制的模板

jpg

jpg


CAPP 2007版可没这问题啊,使用极为不便。现场服务的工程师也没有答复。

机加工工艺卡片.rar

15.88 KB, 下载次数: 2006

rar

回复

使用道具 举报

189

主题

2215

帖子

0

积分

禁止发言

积分
0

咖迷社区专家(CAXA)

QQ
发表于 2011-6-30 12:05:00 | 显示全部楼层
提示: 作者被禁止或删除 内容自动屏蔽
回复 支持 反对

使用道具 举报

23

主题

274

帖子

399

积分

注册会员

Rank: 2

积分
399
发表于 2011-6-30 13:42:00 | 显示全部楼层
还没解决啊,我都不能用2011了
回复 支持 反对

使用道具 举报

0

主题

28

帖子

61

积分

注册会员

Rank: 2

积分
61
发表于 2011-6-30 14:49:00 | 显示全部楼层
按照eb2009后的结构看,不好解决
回复 支持 反对

使用道具 举报

27

主题

577

帖子

1万

积分

社区专家

Rank: 8Rank: 8

积分
12369

咖迷社区专家(CAXA)

QQ
发表于 2011-6-30 15:32:00 | 显示全部楼层
用了一段时间的2011,如今又重新使用2007了,工艺版的对旧版本的兼容性不好和风格膨胀是我不愿意用的主要原因。
回复 支持 反对

使用道具 举报

10

主题

64

帖子

0

积分

注册会员

Rank: 2

积分
0
 楼主| 发表于 2011-6-30 17:50:00 | 显示全部楼层
现在已经对CAD/CAPP/图文档整个系统进行了“升级”,全部为2011平台了,进退维谷,改回去难啊!
个人评介2011版是剔除了2007版的精华,吸取了Auto CAD的糟粕,难道CAXA就不能坚持走自主创新之路吗?非要跟着AutoCAD屁股后面亦步亦趋吗?
回复 支持 反对

使用道具 举报

10

主题

64

帖子

0

积分

注册会员

Rank: 2

积分
0
 楼主| 发表于 2011-7-1 17:12:00 | 显示全部楼层
难道这个问题在这坛子里就沉沦了吗?自己顶吧
回复 支持 反对

使用道具 举报

10

主题

64

帖子

0

积分

注册会员

Rank: 2

积分
0
 楼主| 发表于 2011-8-17 08:52:00 | 显示全部楼层
貌似仍然没解决方案啊
回复 支持 反对

使用道具 举报

189

主题

2215

帖子

0

积分

禁止发言

积分
0

咖迷社区专家(CAXA)

QQ
发表于 2011-8-17 11:29:00 | 显示全部楼层
提示: 作者被禁止或删除 内容自动屏蔽
回复 支持 反对

使用道具 举报

10

主题

64

帖子

0

积分

注册会员

Rank: 2

积分
0
 楼主| 发表于 2011-8-17 20:24:00 | 显示全部楼层
CAXA的开发也没办法吗?关键是现在编制工艺的时候有时插入图纸会造成了图层和线型的混乱啊
回复 支持 反对

使用道具 举报

您需要登录后才可以回帖 登录 | 立即注册

本版积分规则

手机版|小黑屋|咖迷社区(CAXA数码大方) ( 京ICP备05001831号-1 )

GMT+8, 2025-10-26 02:41 , Processed in 0.188304 second(s), 24 queries .

Powered by Discuz! X3.4

Copyright © 2001-2021, Tencent Cloud.

快速回复 返回顶部 返回列表