咖迷社区(CAXA数码大方)

 找回密码
 立即注册

QQ登录

只需一步,快速开始

查看: 24645|回复: 25

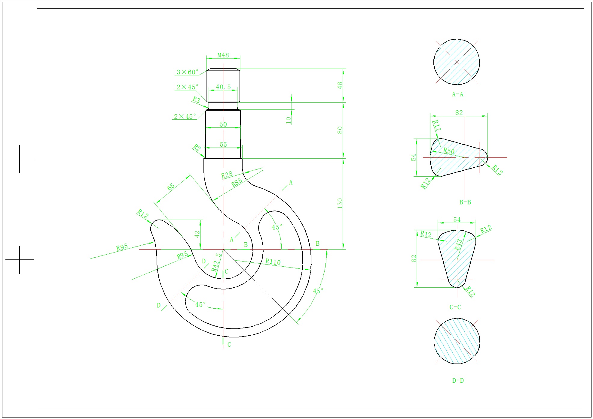
大家快来“放样”吧,恳请大师教教我(变截面大钩)

[复制链接]

7

主题

64

帖子

227

积分

注册会员

Rank: 2

积分
227
发表于 2011-12-16 21:22:00 | 显示全部楼层 |阅读模式
我觉得放样不好做,问题太多,想借此图好好练习练习,但是我做了一遍又一遍,草图画了一幅又一幅,还是没能放出来。
所以恳请哪位大师能用放样的方法来解这道题,也好让众多跟我一样放样有很多问题的童鞋学习学习,万分感激

jpg

jpg
回复

使用道具 举报

69

主题

932

帖子

1911

积分

高级会员

Rank: 4

积分
1911
发表于 2011-12-16 22:17:00 | 显示全部楼层
顶!想学习
回复 支持 反对

使用道具 举报

22

主题

602

帖子

3万

积分

版主

Rank: 4

积分
32734

咖迷社区专家(CAXA)

发表于 2011-12-16 22:20:00 | 显示全部楼层
这个过去已经有很多人做过的,用放样来做也确实是最简单的做法,你可以把你没做成功的原文件发上来,以便帮你解答你草图的问题所在。
回复 支持 反对

使用道具 举报

183

主题

1389

帖子

4655

积分

高级会员

Rank: 4

积分
4655
发表于 2011-12-17 10:31:00 | 显示全部楼层
顶 不好做 我都做了 10几次了 线不搭  。。。
回复 支持 反对

使用道具 举报

7

主题

64

帖子

227

积分

注册会员

Rank: 2

积分
227
 楼主| 发表于 2011-12-17 17:45:00 | 显示全部楼层
很奇怪,今天直接就放出来了,都没有编辑过匹配点,太高兴了。以前用了几次穿透,结果老是提示放样截面包涵错误,没用穿透的话老是提示放样截面和导线不在同一平面,有时还提示导线不可用,很是纳闷。今天用了约束投影,好像效果蛮好的。源文件传上来了,请大师们指点一下,我更想知道大师们是怎么画图的,采用什么方法来让导线和截面草图相交的,又是怎么样控制匹配点的,特别是圆上的匹配点

jpg

jpg

大钩.ics

463.5 KB, 下载次数: 2444

ics

回复 支持 反对

使用道具 举报

69

主题

932

帖子

1911

积分

高级会员

Rank: 4

积分
1911
发表于 2011-12-17 20:44:00 | 显示全部楼层
楼主的原文件用的是哪个版本,是r4吗,我的r3打不开!
回复 支持 反对

使用道具 举报

28

主题

126

帖子

598

积分

中级会员

Rank: 3Rank: 3

积分
598
QQ
发表于 2011-12-17 20:46:00 | 显示全部楼层
楼主用什么版本?我用2011R3都打不开。
回复 支持 反对

使用道具 举报

7

主题

64

帖子

227

积分

注册会员

Rank: 2

积分
227
 楼主| 发表于 2011-12-17 20:59:00 | 显示全部楼层
恩,是的R4,哎,悲剧了。如果你们想下载的话,那就只有等R4出来吧,或者等大师们用R3的做一个。但是我发现做出来的这个效果有点问题,右下角凹陷进去了,似乎和图纸有点出入,不知道是不是截面取的太少了,还是应该用其他的方法,继续等待大师们现身。
回复 支持 反对

使用道具 举报

7

主题

64

帖子

227

积分

注册会员

Rank: 2

积分
227
 楼主| 发表于 2011-12-17 21:43:00 | 显示全部楼层
很值得庆幸,我用R3再一次放样成功了,似乎对放样有点感觉了。帖上源文件。

jpg

jpg

大钩.ics

448.5 KB, 下载次数: 2065

ics

回复 支持 反对

使用道具 举报

28

主题

126

帖子

598

积分

中级会员

Rank: 3Rank: 3

积分
598
QQ
发表于 2011-12-18 22:44:00 | 显示全部楼层
不错,请问楼主轨迹曲线是怎么画的?轨迹曲线不是应该在扫描截面的中心吗?
回复 支持 反对

使用道具 举报

您需要登录后才可以回帖 登录 | 立即注册

本版积分规则

手机版|小黑屋|咖迷社区(CAXA数码大方) ( 京ICP备05001831号-1 )

GMT+8, 2025-10-31 03:31 , Processed in 0.156096 second(s), 24 queries .

Powered by Discuz! X3.4

Copyright © 2001-2021, Tencent Cloud.

快速回复 返回顶部 返回列表