咖迷社区(CAXA数码大方)

 找回密码
 立即注册

QQ登录

只需一步,快速开始

查看: 12804|回复: 8

关于在CAXA中将国家标准、行业标准的有关规定设为系统默认的建议(二)

[复制链接]

5

主题

45

帖子

101

积分

注册会员

Rank: 2

积分
101
发表于 2011-4-26 01:17:00 | 显示全部楼层 |阅读模式
关于在CAXA中将国家标准、行业标准的有关规定设为系统默认的建议(二)
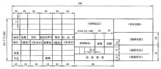
2. 标题栏。
2.1 国家标准推荐了一种标题栏,行业标准推荐了三种标题栏,建议把这四种标题栏都设为系统默认模块,用户可以调用,也可另行自定义标题栏。
2.2 CAXA2007版本中提供了4个标题栏模块供调用,除“School”标题栏外,其余“GB Standard”、“Mechanical  Standard A”、“Mechanical  Standard B”都应按照国家标准、行业标准的进行规范,使其格式和内容与标准规定的要求一致。例:“材料名称”应为“材料标记”,“图纸名称”应为“图样名称”,“图纸编号”应为“图样代号”,“更改文件名”应为“更改文件号”,“图纸比例”应为“图样比例”等。同时,按照GB/T17825CAD文件管理》的要求,凡CAD图的标题栏,在“图样代号”的下方应增加“存储代号”。
2.3 根据现行标准和设计手册提供的标记示例,将通用的、常用的材料标记制成“材料标记库”,归入“库操作”,在执行“填写标题栏”、“填写明细表”、 “填写技术要求”、“编辑文字等文字命令时时,由“插入”命令调出。
本人整理出部分材料的标记示例,仅供参考。
常用材料标记示例(部分)

材料类别名称

标记示例



材料类别名称

标记示例

碳素结构钢
Q235 AF

热轧扁钢
扁钢 10×30/45
优质碳素钢
45

热轧圆钢
圆钢 2-16/Q235AF
低合金结构钢
Q345 C

冷拉圆钢
冷拉圆钢11-20/40Cr
合金结构钢
35SiMn

热轧方钢
方钢 2-25/45
弹簧钢
65Mn

冷拉方钢
冷拉方钢 11-20/45
不锈钢
1Cr18Ni12

热轧六角钢
六角钢 22/45
一般工程用铸造碳钢
ZG230-450

冷拉六角钢
冷拉六角钢 11-20/45
焊接结构用碳素钢铸件
ZG230-450H

锻制圆钢
锻制圆钢 80-1/45
灰铸铁件
HT200

锻制方钢
锻制方钢 50-1/40Cr
球墨铸铁
QT400-15

热轧等边角钢
角钢 50×4/Q235AF
生铁
Z30

热轧不等边角钢
角钢 56×36×4/Q235AF
碳素结构钢和低合金结构钢薄钢板及钢带
热轧
钢板A-1.5/16Mn

热轧槽钢
槽钢140×36×8/Q235AF
热轧工字钢
工字钢 250×116×8/Q235AF
冷轧
冷轧钢板B-1.0/Q235AF

结构用无缝钢管
热轧
钢管73×3.5/10
冷轧
钢管拔 73×3.5/10
(参考资料:GB/T10609.1GB/T221,GB/T17825,JB/T5054.3


附件:

png

png
回复

使用道具 举报

83

主题

2074

帖子

1万

积分

版主

Rank: 4

积分
17664

咖迷社区专家(CAXA)

发表于 2011-4-26 06:54:00 | 显示全部楼层
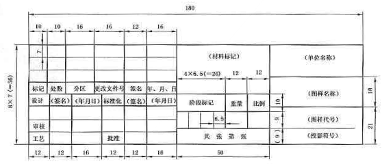
楼主这个标题栏是不对的。按照GB/T 10609.1-2008的要求,图样代号下面是投影符号,目前CAAX的格式是对的,但名称叫法不规范。

png

png

回复 支持 反对

使用道具 举报

19

主题

1944

帖子

5124

积分

金牌会员

Rank: 6Rank: 6

积分
5124

咖迷论坛管理(CAXA)

发表于 2011-4-26 09:29:00 | 显示全部楼层
楼主说得很对,目前电子图板中带的图框名称与GB规定的形式是有差距的。不同的原因也很简单,就是和老的电子图板图框文件兼容。如果读入填写了图纸编号的图框文件,在2011中填写标题栏是可以和图框联动的。但如果改变了属性定义的名称,则图框和标题栏的联动会失效。
其实我个人认为,GB中带有括号的项目名称不像“设计”、“审核”那样有一个题头,因此在实际生成标题栏时还是完全符合国标的。而且2楼帖出来的只是10609中的一个示例,真正国标规定标题栏只有两个分区形式而已。
从另外一个角度说,大家平时很少用“图样”这个词吧?至少我待过的几个厂都说“图纸名称”、“图纸编号”。而且我还见过有的标题栏直接在材料区下方写上“材料”二字,一般都不会写“材料标记”,CAXA写的“材料名称”似乎也不是很常见的样子。当然,这只是我见过的情况,毕竟我不可能全国的企业都去过,不知是不是都是这样,这里还希望大家一起讨论。

回复 支持 反对

使用道具 举报

19

主题

1944

帖子

5124

积分

金牌会员

Rank: 6Rank: 6

积分
5124

咖迷论坛管理(CAXA)

发表于 2011-4-26 10:02:00 | 显示全部楼层
另外,现在GB标题栏就是“更改文件号”,只有Mechanical的是“更改文件名”,也是从老电子图板中直接过来的。GB/T17825《CAD文件管理》的内容与现在的PLM管理方式应该还是略有不同的。
回复 支持 反对

使用道具 举报

19

主题

1944

帖子

5124

积分

金牌会员

Rank: 6Rank: 6

积分
5124

咖迷论坛管理(CAXA)

发表于 2011-4-26 10:14:00 | 显示全部楼层
楼主第三条建议非常好啊!虽然电子图板不太可能完全代替查询标准,但是很多重复性的繁琐输入和查询改为使用电子图板的某个功能方便的完成才更能体现出软件的优势。
也希望我原来提的那个插入功能的改进能够被采纳吧……
回复 支持 反对

使用道具 举报

5

主题

45

帖子

101

积分

注册会员

Rank: 2

积分
101
 楼主| 发表于 2011-4-26 12:25:00 | 显示全部楼层
感谢2#的提醒,现已进行更正,对于本人的疏忽表示歉意。
回复 支持 反对

使用道具 举报

83

主题

2074

帖子

1万

积分

版主

Rank: 4

积分
17664

咖迷社区专家(CAXA)

发表于 2011-4-26 14:17:00 | 显示全部楼层
"GB/T17825《CAD文件管理》的内容与现在的PLM管理方式应该还是略有不同的。 ",同意这句话,目前有没有更新的,原来的17825太久了,当时存储介质还没有U盘。
回复 支持 反对

使用道具 举报

49

主题

1282

帖子

4万

积分

超级版主

Rank: 6Rank: 6

积分
41111

咖迷论坛管理(CAXA)

发表于 2011-4-26 14:32:00 | 显示全部楼层
"GB/T17825《CAD文件管理》的内容与现在的PLM管理方式应该还是略有不同的。 ",同意这句话,目前有没有更新的,原来的17825太久了,当时存储介质还没有U盘。
fanfu 发表于 2011-4-26 14:17:00


参照这个标准比较好“GBT 17304-2009 CAD通用技术规范”
回复 支持 反对

使用道具 举报

9

主题

110

帖子

438

积分

注册会员

Rank: 2

积分
438
发表于 2012-8-11 21:45:15 | 显示全部楼层
回复 支持 反对

使用道具 举报

您需要登录后才可以回帖 登录 | 立即注册

本版积分规则

手机版|小黑屋|咖迷社区(CAXA数码大方) ( 京ICP备05001831号-1 )

GMT+8, 2025-10-1 07:48 , Processed in 0.157094 second(s), 26 queries .

Powered by Discuz! X3.4

Copyright © 2001-2021, Tencent Cloud.

快速回复 返回顶部 返回列表