咖迷社区(CAXA数码大方)

 找回密码
 立即注册

QQ登录

只需一步,快速开始

查看: 9236|回复: 5

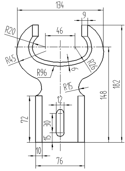
二维练习: 这个图先画什么?给新手。

[复制链接]

83

主题

2074

帖子

1万

积分

版主

Rank: 4

积分
17664

咖迷社区专家(CAXA)

发表于 2011-7-30 12:30:00 | 显示全部楼层 |阅读模式
看似简单的一个图形,如果顺序不对,可能画不出来。

png

png
回复

使用道具 举报

30

主题

2051

帖子

2万

积分

版主

Rank: 4

积分
24460

咖迷社区专家(CAXA)

发表于 2011-7-30 13:00:00 | 显示全部楼层
二维图还是三维图啊?
回复 支持 反对

使用道具 举报

111

主题

1596

帖子

6万

积分

超级版主

Rank: 6Rank: 6

积分
61245

咖迷社区专家(CAXA)

QQ
发表于 2011-7-30 13:18:00 | 显示全部楼层
楼主请看图

jpg

jpg
回复 支持 反对

使用道具 举报

111

主题

1596

帖子

6万

积分

超级版主

Rank: 6Rank: 6

积分
61245

咖迷社区专家(CAXA)

QQ
发表于 2011-7-30 13:21:00 | 显示全部楼层
关键要从红圈部分着手先画个辅助三角形。然后,再将辅助三角形平移到位。

jpg

jpg

jpg

jpg
回复 支持 反对

使用道具 举报

0

主题

11

帖子

6

积分

新手上路

Rank: 1

积分
6
发表于 2011-9-6 16:00:00 | 显示全部楼层
呵呵
回复 支持 反对

使用道具 举报

2

主题

26

帖子

80

积分

新手上路

Rank: 1

积分
80
发表于 2011-9-7 08:07:00 | 显示全部楼层
先画三维在生成二维吧
回复 支持 反对

使用道具 举报

您需要登录后才可以回帖 登录 | 立即注册

本版积分规则

手机版|小黑屋|咖迷社区(CAXA数码大方) ( 京ICP备05001831号-1 )

GMT+8, 2025-10-1 14:11 , Processed in 0.140482 second(s), 24 queries .

Powered by Discuz! X3.4

Copyright © 2001-2021, Tencent Cloud.

快速回复 返回顶部 返回列表